31-05-2010 
31-05-2010 
Camel писал(а):
Каков алгоритм работы по факту
Заводишь двигатель, загорается дальний в полнакала, при включении габаритов так же горит, при включении ближнего- дальнего соответственно тухнет.
Если завести с нажатым стояночным тормозом, не горит, пока не отпустишь.
С включенными габаритами часто мешает, (например когда в темноте впереди кто-то паркуется задом, а ты мешаешь своим DRLом).
  •  
31-05-2010 
31-05-2010 
ХОлег писал(а):
Заводишь двигатель, загорается дальний в полнакала, при включении габаритов так же горит, при включении ближнего- дальнего соответственно тухнет.
Если завести с нажатым стояночным тормозом, не горит, пока не отпустишь.
Спасибо большое
Мне это надо чтобы проверить выдаёт ли мой европейский блок управляющий сигнал DRL с 14-ого контакта.

_________________

***************
Лучше молчать и слыть дураком,
чем заговорить и сразу развеять все сомнения в этом......

  •  
31-05-2010 
31-05-2010 
не выдает...

_________________

Лучше звонить +79213812172 или писать puhovick@hotmail.com
На форуме бываю редко

  •  
1-06-2010 
1-06-2010 
Обоснуй.
Значит блок для евриков и амеров разные?

_________________

***************
Лучше молчать и слыть дураком,
чем заговорить и сразу развеять все сомнения в этом......

  •  
10-07-2010 
10-07-2010 
Оказалось все не так просто, как педполагалось Sad
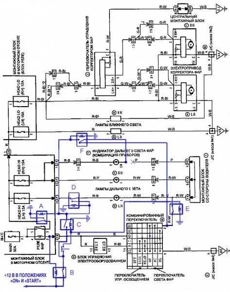
Реализовал подключение полудальнего света на хорьке, с кнопкой отключения оного по следующей схеме:
Полудальний свет.
Полудальний свет.
Все работает, схема разбирается при включении штатного света, в т.ч. в режиме AUTO, НО...
При положении комбинированного переключателя "вперед" и при включенной при этом кнопке, горит одна фара дальнего света в полный накал, т. к. в цепи появляется минус без включения реле фар
Полудальний свет.
Кто подскажет: как избавиться от глюка?
  •  
12-07-2010 
12-07-2010 
В общем не придумал ни чего более умного, как поставить еще реле на разрыв провода RW. Кстати контрольная лампа горела в полнакала, поэтому для нее так же пришлось делать особое подключение. Схема заметно "утяжелилась" но отступать было не куда. Короче, результатом я доволен - имею полноценный "полудальний" свет с возможностью его отключения.
Полудальний свет.
  •  
13-07-2010 
13-07-2010 
_SIRIUS_ писал(а):
Оказалось все не так просто, как педполагалось
Потому, что надо было использовать штатное оборудование

_________________

***************
Лучше молчать и слыть дураком,
чем заговорить и сразу развеять все сомнения в этом......

  •  
14-07-2010 
14-07-2010 
Camel писал(а):
Потому, что надо было использовать штатное оборудование
Поясни
  •  
18-08-2010 
18-08-2010 
_SIRIUS_ писал(а):
Camel писал(а):
Потому, что надо было использовать штатное оборудование
Поясни
Ну штатно же у всех есть предпосылки для дневного света.
Только у некоторых машин не хватает реле, резистора и пары проводков.
Купить всё это и вставить в штатные места....


Когда этот закон вступает в силу-то?????????

_________________

***************
Лучше молчать и слыть дураком,
чем заговорить и сразу развеять все сомнения в этом......

  •  
19-08-2010 
19-08-2010 
Штатно именно у рексов. У харриера совсем другая схема (сравни).
Вступает 20 ноября 2010.
  •  
26-08-2010 
26-08-2010 
Хм. У меня канадец, всё стоит и релюшки в полном наборе и резистор, но не горит дневной свет Sad . Честно признаюсь, что я с электрикой даже не на ВЫ ))). Скажите что надо проверить если всё на месте, но нет результата?
  •  
27-08-2010 
27-08-2010 
хулиган писал(а):
Хм. У меня канадец, всё стоит и релюшки в полном наборе и резистор, но не горит дневной свет Sad . Честно признаюсь, что я с электрикой даже не на ВЫ ))). Скажите что надо проверить если всё на месте, но нет результата?
На канадцах, вроде нет резистора - должна стоять просто перемычка, если её нет, то и DRL гореть не будет.
Кстати, ксенон у тебя есть?
  •  
27-08-2010 
27-08-2010 
ксенон снял нафик... А резистор есть эт точно, такая рефленая коробочка в два спичечных коробка Laughing
  •  
27-08-2010 
27-08-2010 
хулиган писал(а):
А резистор есть эт точно, такая рефленая коробочка в два спичечных коробка
мож от него разъём отцеплен?

_________________

***************
Лучше молчать и слыть дураком,
чем заговорить и сразу развеять все сомнения в этом......

  •  
27-08-2010 
27-08-2010 
всё было присоединено, но сегодня снял-дам электрику пусть посмотрит в каком он состоянии. На резистор в перемычки два контакта идут?
  •  
Реклама для незарегистрированных пользователей. Зарегистрироваться в Клубе
Новая тема  
Все форумы  »  Клуб Lexus RX  » Lexus RX/HARRIER I (1998-2003) Правила форумов