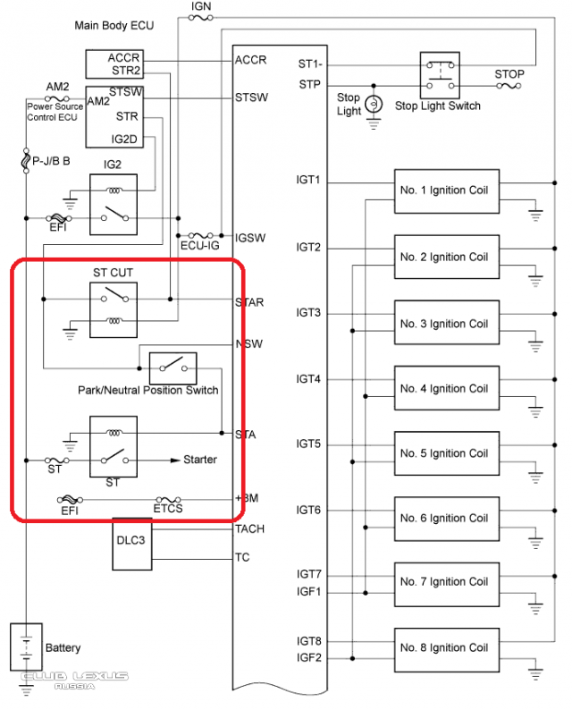
машина простаивала пару недель, потом завели, 2 дня ездили работало все нормально. на утро 3 дня машина тупо перестала заводиться : загорается приборка, вытягивается руль, но стартер не крутит. после диагностики вылазит ошибка "Check VSC system". пробовали замыкать 4-13 на ОБД, диагностика выдает "Diag VSC 51".
Появилась мысль что проблема в стартере, т.к. он тупо не крутит. проверили предохранитель на 30А и реле ST, щёлкает при попытке запуска. а стартер не крутит, даже втягивающее не щёлкает. есть у кого нибудь какие мысли?
