home skip_previous fast_rewind fast_forward skip_next
4-10-2010 
4-10-2010 
Всем привет! Обнаружил недавно, что у меня не работает кнопка складывания зеркал(нажимаю и ничего не происходит), сегодня увидел, что не горят оба габарита рядом с ближним. Кто знает, что это может быть? Может предохранители, тогда как вычислить где он стоит? Может схема какая есть?
  •  
4-10-2010 
avatar
nip nip Клубная карта
4-10-2010 
а у меня дворники в режиме AUTO не работают, что делать?? Question Evil or Very Mad

_________________

LX сила

  •  
4-10-2010 
4-10-2010 
nip писал(а):
а у меня дворники в режиме AUTO не работают, что делать??
датчик дождя проверь
  •  
4-10-2010 
4-10-2010 
kass_911 писал(а):
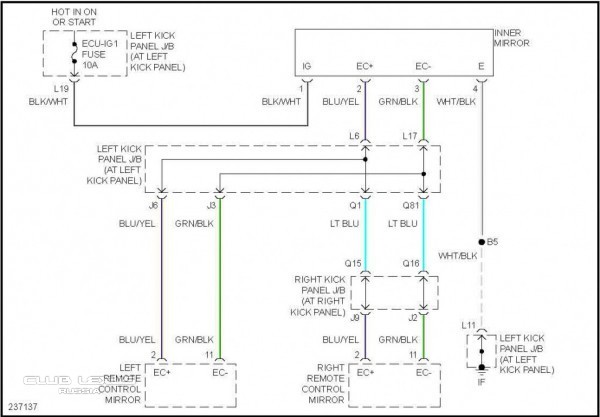
Может схема какая есть
Есть вот такая
вопрос по электронике
  •  
4-10-2010 
4-10-2010 
Чёт я лихо со схемой!
  •  
5-10-2010 
5-10-2010 
мануал берете и смотрите какой предохранитель...
  •  
5-10-2010 
avatar
nip nip Клубная карта
5-10-2010 
_Babushka_ писал(а):
nip писал(а):
а у меня дворники в режиме AUTO не работают, что делать??
датчик дождя проверь
а где он?? Embarassed

_________________

LX сила

  •  
5-10-2010 
5-10-2010 
nip писал(а):
а где он??
на лобовом стекле, под зеркалом заднего вида
  •  
5-10-2010 
avatar
nip nip Клубная карта
5-10-2010 
_Babushka_ писал(а):
nip писал(а):
а где он??
на лобовом стекле, под зеркалом заднего вида
стекло то не родное стоит, могли и не подключить или вообще не поставить Evil or Very Mad

_________________

LX сила

  •  
5-10-2010 
ну если нет датчика, то и не будет никакого авто. Для лыксов лобовое стекло чуть ли не расходник. А под датчик идет сеточка. У меня тоже не работает. Надо будет восстановить.... Idea

_________________


  •  
5-10-2010 
5-10-2010 
nip писал(а):
стекло то не родное стоит, могли и не подключить или вообще не поставить
проводка то осталась... закажи родной или возьми другого производителя.... можно прикрутить.
  •  
6-10-2010 
avatar
nip nip Клубная карта
6-10-2010 
_Babushka_ писал(а):
nip писал(а):
стекло то не родное стоит, могли и не подключить или вообще не поставить
проводка то осталась... закажи родной или возьми другого производителя.... можно прикрутить.
нужно посмотреть есть ли он там вообще, потому что покупать новый не вариант, стоит 13тыс Shocked
а как поставить датчик стороннего производителя?

_________________

LX сила

  •  
6-10-2010 
6-10-2010 
Предохранитель зеркал стоит в ногах водителя - на каоробочке ищете слово "mirror"

_________________

Сменил "восторг" на "управление мечтой"...

  •  
6-10-2010 
avatar
nip nip Клубная карта
6-10-2010 
посмотрел только что,датчик стоит, что же он тогда не работает Question

_________________

LX сила

  •  
6-10-2010 
6-10-2010 
nip писал(а):
посмотрел только что,датчик стоит, что же он тогда не работает
Свободный вечер, банка пива, отвертка, тестер и все заработает.....
Или узнаешь почему не работает Smile
  •  
Реклама для незарегистрированных пользователей. Зарегистрироваться в Клубе
Новая тема  
Все форумы  »  Клуб Lexus LX  » Lexus LX I 450/470/Cygnus Правила форумов