home skip_previous fast_rewind fast_forward skip_next
15-03-2007 
15-03-2007 
Интересно узнать - ретро Рекс как-то сигнализирует когда бензина остается совсем мало (ну типа на пару километров). Когда загорается лампочка можно еще километров 50 проехать, это понятно, а вот заканчивается топливо совсем без предупреждения ?
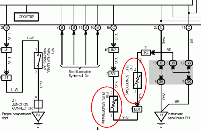
Вопрос возник в связи вот с чем - на схеме показаны два датчика уровня топлива исходя из этого подумалось - а может когда остается совсем мало бензина лампочка мигать начинает или приборка попискивать или еще как ?
Как заканчивается бензин ?

_________________

Если нет ветра, беритесь за вёсла.

  •  
15-03-2007 
15-03-2007 
ничего такого нет.
кончается молча.
а проехать можно 100 км после загорания лампы, т.к. остаётся около 15 литров.

_________________

Дружба - это чувство круглосуточное.

  •  
15-03-2007 
15-03-2007 
Никак не сигналит .Симптом - при нажатии на педаль газа падают обороты и машину колбасит, потом глохнет. На парах бензина можно проехать еще метров 500. Проверено.

_________________

Acura MDX Advance 2014

  •  
15-03-2007 
15-03-2007 
Мих а если с бодуна подышать в бак и еще метров 500 протянуть можно ? Laughing

_________________

Воспитывать - не значит говорить детям хорошие слова, наставлять и назидать их, а прежде всего самому жить по-человечески. Кто хочет исполнить свой долг относительно детей, тот должен начать вопитание с самого себя.

  •  
15-03-2007 
15-03-2007 
Можно сколько угодно проехать. Дыхнул менту на перекрестке - и на эвакуаторе еще км 20 проедешь Very Happy

_________________

Acura MDX Advance 2014

  •  
15-03-2007 
15-03-2007 
Вот Мих добрейшей ты души человек, жму крепко по мужски тебе руку. Laughing Я по пьяной лавочке больше за руль ни ни, уже года 3 точно, после того как вывалился из машины на посту и меня отмазывал лучший друг из третьего батальона часа в 4 ночи ему дал слово больше не беспакоить по таким пустякам. Вот ищу кого можно беспакоить а пока ни ни. Laughing

_________________

Воспитывать - не значит говорить детям хорошие слова, наставлять и назидать их, а прежде всего самому жить по-человечески. Кто хочет исполнить свой долг относительно детей, тот должен начать вопитание с самого себя.

  •  
15-03-2007 
15-03-2007 
Нихрена себе пустяк Shocked

_________________

Acura MDX Advance 2014

  •  
15-03-2007 
15-03-2007 
ну блин вытащить человека из пастели в 4 утрачтобы приехал на другой конец Москвы за мной в хламину отмазал и отвез домой для него пустяк а для меня урок, связи связями а на пьяную голову совесть нужно иметь и мозги, но я тогда со своей разошелся и уехал пьяным потом догнался с горя или с радости щас точно не скажу уже. Laughing Приехал домой праздновать юбилей и вышло все иначе ... Хотя щас дружим и оч хорошо даже.

_________________

Воспитывать - не значит говорить детям хорошие слова, наставлять и назидать их, а прежде всего самому жить по-человечески. Кто хочет исполнить свой долг относительно детей, тот должен начать вопитание с самого себя.

  •  
15-03-2007 
15-03-2007 
Пить за рулем сейчас очень стремно. Поймают -могут денег не взять Sad

_________________

Acura MDX Advance 2014

  •  
15-03-2007 
15-03-2007 
Да даже не в деньгах дело а вообще в жизни твоей и тех кто рядом, я дважды ездил пьяным когда у меня любимая собака погибла Sad похоронил её нажрался и раздолбал тачку а второй раз о котором уже говорил.

_________________

Воспитывать - не значит говорить детям хорошие слова, наставлять и назидать их, а прежде всего самому жить по-человечески. Кто хочет исполнить свой долг относительно детей, тот должен начать вопитание с самого себя.

  •  
15-03-2007 
15-03-2007 
[quote="Sanek-msk"]Да даже не в деньгах дело а вообще в жизни твоей и тех кто рядом, я дважды ездил пьяным

Пьяный за рулем - преступник адназначна Twisted Evil . Ведь страдают невинные - приколись, а? Evil or Very Mad Evil or Very Mad Evil or Very Mad

_________________

Конфа уже не та (с)

  •  
15-03-2007 
15-03-2007 
Валер че рычиш то ? Кто спорит то ? Согласен и с пьянством за рулем и вообще с пьянством , у меня друг ему 25 так его год держала только кодировка торпеда сейчас опять в запоях и ничего поделать не может, я и против этого так же.

_________________

Воспитывать - не значит говорить детям хорошие слова, наставлять и назидать их, а прежде всего самому жить по-человечески. Кто хочет исполнить свой долг относительно детей, тот должен начать вопитание с самого себя.

  •  
16-03-2007 
16-03-2007 
Рычу потому что из-за собаки, даже любимой, мог бы людей невинных положить рядами... За что? С какого перепугу они крайними оказались бы? Непонятно Crying or Very sad

_________________

Конфа уже не та (с)

  •  
16-03-2007 
16-03-2007 
_alexel_ писал(а):
Вопрос возник в связи вот с чем - на схеме показаны два датчика уровня топлива исходя из этого подумалось - а может когда остается совсем мало бензина лампочка мигать начинает или приборка попискивать или еще как ?
Вот что прочитал в мануале. Похоже при полном отсутствии бензина должен загораться CheckEngine(malfunction indicator lamp)

Как заканчивается бензин ?
  •  
16-03-2007 
16-03-2007 
!!!!!!!!
На японском спринтере если бензин закончился а зажигание работает ч/з минут 5 умирает бензонасос. (Проверено неоднократно).

Просто при окончании бензина в баке - дергается несколько раз и встает (ничего не пищит). Правда перед этим километра за 1,5 начинает подтраивать и четко указывать , что пора встать на обочину.
На лексе - не стал бы экспериментировать- дороговато

_________________

Счастлив тот - у кого чего то не хватает

  •  
Реклама для незарегистрированных пользователей. Зарегистрироваться в Клубе
Новая тема  
Все форумы  »  Клуб Lexus RX  » Lexus RX/HARRIER I (1998-2003) Правила форумов