home skip_previous fast_rewind fast_forward skip_next
10-01-2011 
10-01-2011 
Всех с прошедшими,новый год подарил ПРОБЛЕМУ (( 1-го числа сел в авто,через 5-7 секунд стрелки на панели приборов задрожали мелкой дрожью,и опали как озимые,в 0 встали,ну да ладно,мало ли что,авто завел,а стрелка давления масла так в 0 и осталась,при этом лампа контроля давления масла не горит,чек не выскакивает,т.е. давление есть,а стрелка в 0. И с тех так при каждом заводе. 1 раз,3 дня назад сажусь в авто,и оппа,все ок,все работает как надо. Но не тут-то было,при следующем заводе авто все вернулось,дрожание,и давление в 0. Вчера обратился к местным электрикам (уже жалею), сняли панель,пощупали. пощупали, ставим назад, все супер. все работает нормально, и давление показывает, и не дрожит ничего. Глушу, завожу, опять та же фигня,дрожит,давление в 0. Снимаем, щупаем (крутим панель,вертим,что-то тестером звоним) ставим,все ок,глушу, и снова здрастИИ.
В общем вопрос - ПОМОГИТЕ!!!!! Может кто сталкивался,может кто подскажет мастеров толковых,кому можно доверить авто?
Может кто поможет с диагностикой (думаю если кто панель приборов дал бы исправную,сниму сам)), по крайней мере выясню что проблема в панели или где-то в машине)
Сам из Серпухова,юг Московской области. Помогите, страдаю!!!))

_________________


  •  
10-01-2011 
10-01-2011 
Есть полная процедура проверки цепей приборки. Достаточно емкая. В твоем случае скорее всего разъем(ы), раз после снятия/установки все работает. Или, как вариант, контакт на плате в щитке. Если одновременно "опали" все стрелки, то вероятнее всего пропало питание микроконтроллера.
  •  
10-01-2011 
10-01-2011 
спасибо.полез ломать

_________________


  •  
10-01-2011 
10-01-2011 
Alexact писал(а):
спасибо.полез ломать
скажи, если нужна схема
  •  
10-01-2011 
10-01-2011 
мои "спецы" сказали что уже проверили,в общем... ИЩУ МАСТЕРА)))

_________________


  •  
10-01-2011 
10-01-2011 
ох,думаю нужна,есть человек с головой и руками,но без схемы послал))со схемой мож поможет)

_________________


  •  
10-01-2011 
10-01-2011 
человеку с головой позвонил,говорит со схемой мол все сделаем,ну и я покрываюсь эйфорической испариной в ожидании СХЕМЫ ))))
_Babushka_ - СПАСИБО!!!

_________________


  •  
10-01-2011 
10-01-2011 
Нужна помощь (LX 470 - 2004 амер)

Нужна помощь (LX 470 - 2004 амер)

Нужна помощь (LX 470 - 2004 амер)


Нужна помощь (LX 470 - 2004 амер)
  •  
10-01-2011 
10-01-2011 
спасибо огромное,у него вопрос возник,заранее, как снимаются стрелки,там ведь плата двойная (извиняюсь за терминологию)

_________________


  •  
10-01-2011 
10-01-2011 
и еще, может есть способ проверить и исключить неисправности в цепи авто,а то вдруг,не панель вовсе?

_________________


  •  
10-01-2011 
10-01-2011 
лучше сфоткать сначала исходное положение(чтобы потом выставить правильно стрелки), потом просто тянуть вверх. там иголочка(штифт шагового двигателя), а на ней стрелка. Одевать нужно аккуратно, чтобы не придавить сильно, там контакт подсветки стрелки, и может заблокировать ее движение
  •  
10-01-2011 
10-01-2011 
Alexact писал(а):
и еще, может есть способ проверить и исключить неисправности в цепи авто,а то вдруг,не панель вовсе?
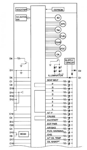
проверьте сначала контакты D1, D2, это питание контроллера, управляющего всеми стрелками. и еще, приборка легко царапается, как стекло, так и сами шкалы. нужно аккуратно.
  •  
10-01-2011 
10-01-2011 
спасибо,куда выслать пиво? (походу если мои ломастеры починят,мне надо не пиво высылать,а пив заводик строить)))))))

_________________


  •  
10-01-2011 
10-01-2011 
Alexact писал(а):
спасибо,куда выслать пиво? (походу если мои ломастеры починят,мне надо не пиво высылать,а пив заводик строить)))))))
главное, чтобы помогло ))))
  •  
10-01-2011 
10-01-2011 
Проблема в самой панели.
"Отъезжают" сами моторчики стрелок, известная болячка.
При тестировании стрелок контроллер доски не "видит" крайних положений и отключает неисправный моторчик.
Если руки и голова на месте - то делается довольно успешно.
Регулярно чиним такие, но мы в Новосибирске Smile
  •  
  • +1
Реклама для незарегистрированных пользователей. Зарегистрироваться в Клубе
Новая тема  
Все форумы  »  Клуб Lexus LX  » Lexus LX I 450/470/Cygnus Правила форумов