Доброго времени суток! Принимайте новенького, и сразу же с проблемой Пару дней назад перестали подсвечиваться кнопки и переключатели на "бороде" - от АКПП до экрана. Все функции работают, но при включении фар "борода" так и остаётся не подсвеченной. Не сталкивался ли кто с такой проблемой? Завтра планирую в сервис везти - хорошо, если в каком-нибудь предохранителе дело.
Только хотел написать, что у нас по предохранителям есть спец - Камиль, но решил на всякий случай обновить страничку, открытую утром
По теме - если предохранители целые, то попробуй просто снять подкову, затем открутить голову и вытащить/вставить разъемы - я таким образом на 2 рексах знакомых лечил этот глючок, он обычно появляется после езды по раздолбанным дорогам, т.е. от длительной тряски
Привет всем.
У меня такая же проблема была и есть по сей день некогда разобраться.
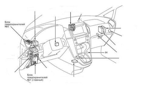
Короче перегорает предохранитель 7.5 не горит соответственно подсветка на торпеде где магнитола и акпп.
иногда меняю предохранитель удается проездить недельки две и потом такая же лажа.
последнее время выяснил что вроде предохранитель не перегорает если не переключать на левом подрулевом переключателе режимы света.там крутилка на конце такая.
Так что на этой неделе думаю полезу разбирать. =))