Информация предоставлена членами клуба.
Внимание! Приведенный ниже способ адаптации подразумевает, что Вы имеет опыт в ремонте электроники, умеете выпаивать и перепрошивать микросхемы, а также владеете обширными знаниями для понимания сути процесса.
Если Вы не уверены, что сможете самостоятельно выполнить данную операцию - обратитесь к специалистам, иначе возможны необратимые последствия (порча дорогостоящих электронных компонентов автомобиля). Вся ответственность за совершенные действия ложится на Вас.
Для перевода миль в километры и градусов Фаренгейта в градусы Цельсия, в нужно проделать следующие действия:
1. Изменить содержимое EEPROM в Body ECU.
2. Изменить настройку панели приборов
3. Проверить правильность работы
1. Изменение содержимого EEPROM в Body ECU.
Body ECU находится в ногах у водителя. Внешний вид открытого ECU и маркировка представлены ниже:
Находим микросхему EEPROM 24C02.
Проблему программирования микросхемы можно решить несколькими путями:
1. Купить готовый программатор.
2. Обратиться к специалисту.
3. И конечно же самый интересный – сделать это самостоятельно с минимальными затратами.
Итак приступим:
После недолгих поисков в интернете найдено 2 подходящих варианта:
1 SERP - Serial EEPROM Programmer for 24CXX/93CXX для Linux и Windows 2000/XP
2 ZORAN Serial EEPROM Programmer
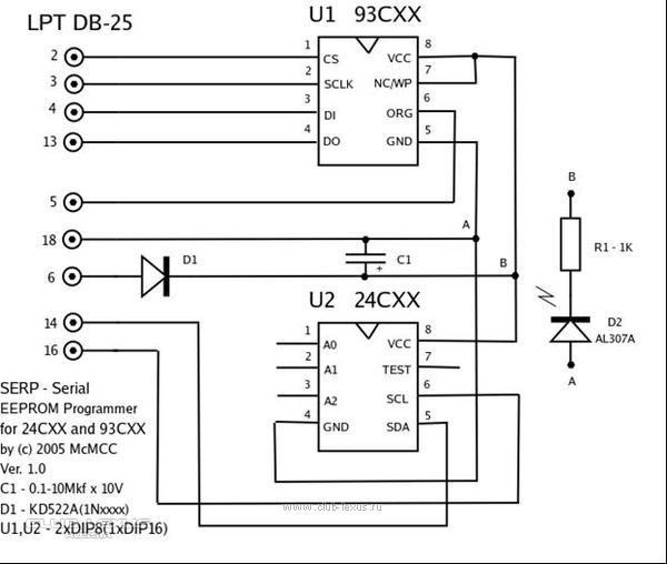
Лично меня устраивает первый вариант, т.к. используется прямое подключение к порту LPT и нет необходимости тратить время на сборку адаптера.
Схема подключения приведена ниже, но для программирования одной микросхемы можно ее немного урезать, исключив диод защиты от переполюсовки питания и конденсатор.
Берем шнур от принтера LPT, режем пополам и припаиваем 4 провода непосредственно на ножки микросхемы в следующем порядке:
LPT 24CXX
18 > 4
14 > 5
16 > 6
6 > 8
Качаем программу
Распаковываем в папку C:SERP и открываем её в проводнике Windows.
Копируем файл porttalk.sys в каталог C:Windowssystem32drivers
Двойной клик на файле porttalk.reg (можно щелкнуть правой кнопкой и выбрать пункт «Слияние») и отвечаем «Да» на вопрос «Вы действительно хотите добавить информацию в реестр?»
Подключаем шнур LPT к компьютеру.
Запускаем прогу serp.exe – открывается окно с приглашением командной строки
Выбираем микросхему 24 серии:
serp> i
24C01> t 2
Cчитываем данные из микросхемы в файл, вводим команду r, появится окно для сохранения файлов, выберем папку для сохранения c:serp, введем имя файла (например lexus_rx300¬_USA) и нажмем "OK". Все создаваемые файлы для чтения и записи имеют расширение BIN.
Открываем получившийся файл в HEX-редакторе (WinHEX), изменяем значение 6 байтов (68 на 66 и 49 на 4В) и сохраняем изменения в файл lexus_rx300¬_EU.bin
ECU американец.
Offset 0 1 2 3 4 5 6 7 8 9 A B C D E F
00000000 00 00 00 00 00 00 00 00 00 00 00 00 00 00 00 00 ................
00000010 00 00 00 00 00 00 00 00 00 00 00 00 00 00 00 00 ................
00000020 00 00 00 00 00 00 00 00 00 00 00 00 00 00 00 00 ................
00000030 00 00 00 00 00 00 00 00 00 00 00 00 00 00 00 00 ................
00000040 00 00 00 00 00 68 00 00 00 49 00 00 00 00 00 00 .....h...I......
00000050 00 00 00 00 00 00 00 00 00 00 00 00 00 00 00 00 ................
00000060 00 00 00 00 00 00 00 00 00 00 00 00 00 00 00 00 ................
00000070 00 00 00 00 00 00 00 00 00 00 00 00 00 00 00 00 ................
00000080 00 00 00 00 00 00 00 00 00 00 00 00 00 00 00 00 ................
00000090 00 00 00 00 00 00 68 00 00 49 00 00 00 00 00 00 ......h..I......
000000A0 00 00 00 00 00 00 00 00 00 00 00 00 00 00 00 00 ................
000000B0 00 00 00 00 00 00 00 00 00 00 00 00 00 00 00 00 ................
000000C0 00 00 00 00 00 00 00 00 00 00 00 00 00 00 00 00 ................
000000D0 00 00 00 00 00 00 00 00 00 00 00 00 00 00 00 00 ................
000000E0 00 00 00 00 00 00 68 00 00 49 00 00 00 00 00 00 ......h..I......
000000F0 00 00 00 00 00 00 00 00 00 00 00 00 00 00 00 00 ................
ECU европеец.
Offset 0 1 2 3 4 5 6 7 8 9 A B C D E F
00000000 00 00 00 00 00 00 00 00 00 00 00 00 00 00 00 00 ................
00000010 00 00 00 00 00 00 00 00 00 00 00 00 00 00 00 00 ................
00000020 00 00 00 00 00 00 00 00 00 00 00 00 00 00 00 00 ................
00000030 00 00 00 00 00 00 00 00 00 00 00 00 00 00 00 00 ................
00000040 00 00 00 00 00 66 00 00 00 4B 00 00 00 00 00 00 .....f...K......
00000050 00 00 00 00 00 00 00 00 00 00 00 00 00 00 00 00 ................
00000060 00 00 00 00 00 00 00 00 00 00 00 00 00 00 00 00 ................
00000070 00 00 00 00 00 00 00 00 00 00 00 00 00 00 00 00 ................
00000080 00 00 00 00 00 00 00 00 00 00 00 00 00 00 00 00 ................
00000090 00 00 00 00 00 00 66 00 00 4B 00 00 00 00 00 00 ......f..K......
000000A0 00 00 00 00 00 00 00 00 00 00 00 00 00 00 00 00 ................
000000B0 00 00 00 00 00 00 00 00 00 00 00 00 00 00 00 00 ................
000000C0 00 00 00 00 00 00 00 00 00 00 00 00 00 00 00 00 ................
000000D0 00 00 00 00 00 00 00 00 00 00 00 00 00 00 00 00 ................
000000E0 00 00 00 00 00 00 66 00 00 4B 00 00 00 00 00 00 ......f..K......
000000F0 00 00 00 00 00 00 00 00 00 00 00 00 00 00 00 00
В окне serp вводим команду «w»
появится стандартное окно для выбора загружаемых файлов, выберем файл lexus_rx300¬_EU.bin
и нажмем "OK"
programmed 128 bytes
verify EEPROM...OK!
Отключаем шнурок, отпаиваем провода от микросхемы и устанавливаем блок Body ECU на место.
2. Изменение настройки Панели приборов
Внешний вид открытой панели приборов показан на ниже:
Нужно перепаять резисторы на панели, согласно нижеприведенной таблице:
справа- европейский вариант, слева - американский вариант
3.Проверка правильности операций
После сборки и установки всех компонентов и включении зажигания, информационный дисплей должен показывать AVERAGE 100 или 99,9 литров.
Окончательно система адаптируется после проезда 50-100 километров.
Внимание! Приведенный ниже способ адаптации подразумевает, что Вы имеет опыт в ремонте электроники, умеете выпаивать и перепрошивать микросхемы, а также владеете обширными знаниями для понимания сути процесса.
Если Вы не уверены, что сможете самостоятельно выполнить данную операцию - обратитесь к специалистам, иначе возможны необратимые последствия (порча дорогостоящих электронных компонентов автомобиля). Вся ответственность за совершенные действия ложится на Вас.
Для перевода миль в километры и градусов Фаренгейта в градусы Цельсия, в нужно проделать следующие действия:
1. Изменить содержимое EEPROM в Body ECU.
2. Изменить настройку панели приборов
3. Проверить правильность работы
1. Изменение содержимого EEPROM в Body ECU.
Body ECU находится в ногах у водителя. Внешний вид открытого ECU и маркировка представлены ниже:
Находим микросхему EEPROM 24C02.
Проблему программирования микросхемы можно решить несколькими путями:
1. Купить готовый программатор.
2. Обратиться к специалисту.
3. И конечно же самый интересный – сделать это самостоятельно с минимальными затратами.
Итак приступим:
После недолгих поисков в интернете найдено 2 подходящих варианта:
1 SERP - Serial EEPROM Programmer for 24CXX/93CXX для Linux и Windows 2000/XP
2 ZORAN Serial EEPROM Programmer
Лично меня устраивает первый вариант, т.к. используется прямое подключение к порту LPT и нет необходимости тратить время на сборку адаптера.
Схема подключения приведена ниже, но для программирования одной микросхемы можно ее немного урезать, исключив диод защиты от переполюсовки питания и конденсатор.
Берем шнур от принтера LPT, режем пополам и припаиваем 4 провода непосредственно на ножки микросхемы в следующем порядке:
LPT 24CXX
18 > 4
14 > 5
16 > 6
6 > 8
Качаем программу
Распаковываем в папку C:SERP и открываем её в проводнике Windows.
Копируем файл porttalk.sys в каталог C:Windowssystem32drivers
Двойной клик на файле porttalk.reg (можно щелкнуть правой кнопкой и выбрать пункт «Слияние») и отвечаем «Да» на вопрос «Вы действительно хотите добавить информацию в реестр?»
Подключаем шнур LPT к компьютеру.
Запускаем прогу serp.exe – открывается окно с приглашением командной строки
Выбираем микросхему 24 серии:
serp> i
24C01> t 2
Cчитываем данные из микросхемы в файл, вводим команду r, появится окно для сохранения файлов, выберем папку для сохранения c:serp, введем имя файла (например lexus_rx300¬_USA) и нажмем "OK". Все создаваемые файлы для чтения и записи имеют расширение BIN.
Открываем получившийся файл в HEX-редакторе (WinHEX), изменяем значение 6 байтов (68 на 66 и 49 на 4В) и сохраняем изменения в файл lexus_rx300¬_EU.bin
ECU американец.
Offset 0 1 2 3 4 5 6 7 8 9 A B C D E F
00000000 00 00 00 00 00 00 00 00 00 00 00 00 00 00 00 00 ................
00000010 00 00 00 00 00 00 00 00 00 00 00 00 00 00 00 00 ................
00000020 00 00 00 00 00 00 00 00 00 00 00 00 00 00 00 00 ................
00000030 00 00 00 00 00 00 00 00 00 00 00 00 00 00 00 00 ................
00000040 00 00 00 00 00 68 00 00 00 49 00 00 00 00 00 00 .....h...I......
00000050 00 00 00 00 00 00 00 00 00 00 00 00 00 00 00 00 ................
00000060 00 00 00 00 00 00 00 00 00 00 00 00 00 00 00 00 ................
00000070 00 00 00 00 00 00 00 00 00 00 00 00 00 00 00 00 ................
00000080 00 00 00 00 00 00 00 00 00 00 00 00 00 00 00 00 ................
00000090 00 00 00 00 00 00 68 00 00 49 00 00 00 00 00 00 ......h..I......
000000A0 00 00 00 00 00 00 00 00 00 00 00 00 00 00 00 00 ................
000000B0 00 00 00 00 00 00 00 00 00 00 00 00 00 00 00 00 ................
000000C0 00 00 00 00 00 00 00 00 00 00 00 00 00 00 00 00 ................
000000D0 00 00 00 00 00 00 00 00 00 00 00 00 00 00 00 00 ................
000000E0 00 00 00 00 00 00 68 00 00 49 00 00 00 00 00 00 ......h..I......
000000F0 00 00 00 00 00 00 00 00 00 00 00 00 00 00 00 00 ................
ECU европеец.
Offset 0 1 2 3 4 5 6 7 8 9 A B C D E F
00000000 00 00 00 00 00 00 00 00 00 00 00 00 00 00 00 00 ................
00000010 00 00 00 00 00 00 00 00 00 00 00 00 00 00 00 00 ................
00000020 00 00 00 00 00 00 00 00 00 00 00 00 00 00 00 00 ................
00000030 00 00 00 00 00 00 00 00 00 00 00 00 00 00 00 00 ................
00000040 00 00 00 00 00 66 00 00 00 4B 00 00 00 00 00 00 .....f...K......
00000050 00 00 00 00 00 00 00 00 00 00 00 00 00 00 00 00 ................
00000060 00 00 00 00 00 00 00 00 00 00 00 00 00 00 00 00 ................
00000070 00 00 00 00 00 00 00 00 00 00 00 00 00 00 00 00 ................
00000080 00 00 00 00 00 00 00 00 00 00 00 00 00 00 00 00 ................
00000090 00 00 00 00 00 00 66 00 00 4B 00 00 00 00 00 00 ......f..K......
000000A0 00 00 00 00 00 00 00 00 00 00 00 00 00 00 00 00 ................
000000B0 00 00 00 00 00 00 00 00 00 00 00 00 00 00 00 00 ................
000000C0 00 00 00 00 00 00 00 00 00 00 00 00 00 00 00 00 ................
000000D0 00 00 00 00 00 00 00 00 00 00 00 00 00 00 00 00 ................
000000E0 00 00 00 00 00 00 66 00 00 4B 00 00 00 00 00 00 ......f..K......
000000F0 00 00 00 00 00 00 00 00 00 00 00 00 00 00 00 00
В окне serp вводим команду «w»
появится стандартное окно для выбора загружаемых файлов, выберем файл lexus_rx300¬_EU.bin
и нажмем "OK"
programmed 128 bytes
verify EEPROM...OK!
Отключаем шнурок, отпаиваем провода от микросхемы и устанавливаем блок Body ECU на место.
2. Изменение настройки Панели приборов
Внешний вид открытой панели приборов показан на ниже:
Нужно перепаять резисторы на панели, согласно нижеприведенной таблице:
справа- европейский вариант, слева - американский вариант
3.Проверка правильности операций
После сборки и установки всех компонентов и включении зажигания, информационный дисплей должен показывать AVERAGE 100 или 99,9 литров.
Окончательно система адаптируется после проезда 50-100 километров.