->Информация для тех, кто хочет найти контакты услуги для перевода "милей", "фаренгейтов", радио и т.п.) для Lexus в своем городе
Приборная панель.
Для того чтобы перевести приборную панель с миль на километры Вам необходимо её извлечь.
1. При снятии декоративной накладки аккуратно извлеките пластиковые пистоны, находящиеся в верхней части рамки.
2. Открутите 4 самореза и извлеките панель.
В панели приборов меняем целиком дамп микросхемы 93с66.
Внимание.
Мы рекомендуем использовать дамп от Канадского варианта.
Скачать дамп можно по ссылке www.club-lexus.ru/fileserver/?folder=345
Допускается использование дампа от Toyota Land Cruiser PRADO бензин, но, при этом, тахометр будет показывать неправильно
1.
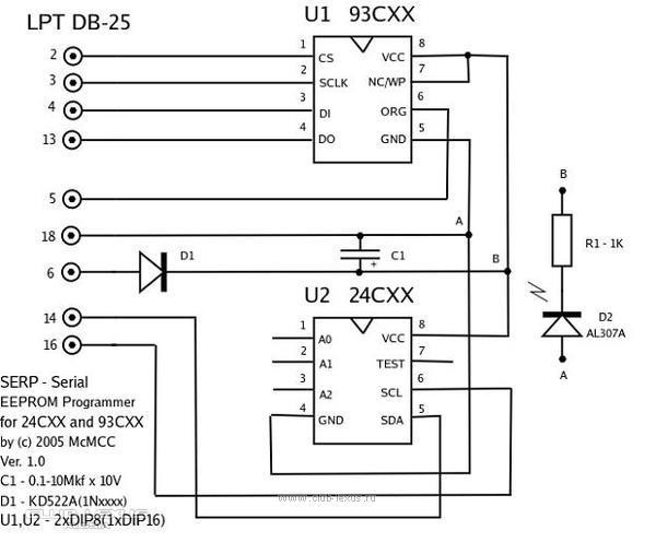
Берем шнур от принтера LPT, режем пополам и припаиваем 4 провода непосредственно на ножки микросхемы в следующем порядке:
LPT 93CXX
2 > 1
3 > 2
4 > 3
5 > 6
6 > 7 и 8
13 > 4
18 > 5
Качаем программу www.club-lexus....eserver/index.php?folder=359
Распаковываем в папку C:SERP и открываем её в проводнике Windows.
Копируем файл porttalk.sys в каталог C:Windowssystem32drivers
Двойной клик на файле porttalk.reg (можно щелкнуть правой кнопкой и выбрать пункт «Слияние») и отвечаем «Да» на вопрос «Вы действительно хотите добавить информацию в реестр?»
Подключаем шнур LPT к компьютеру.
Запускаем прогу serp.exe – открывается окно с приглашением командной строки
Выбираем микросхему 93 серии:
serp> m
93C46> t 66
93C66>
Cчитываем данные из микросхемы в файл, вводим команду r, появится окно для сохранения файлов, выберем папку для сохранения c:serp, введем имя файла (например lexus_GX300¬USA) и нажмем "OK". Все создаваемые файлы для чтения и записи имеют расширение BIN.
В окне serp вводим команду «w»
появится стандартное окно для выбора загружаемых файлов, выберем файл
GX470 2005 CANADA.BIN
и нажмем "Открыть"
programmed 512 bytes
verify EEPROM...OK!
Отключаем шнурок, отпаиваем провода от микросхемы и устанавливаем приборную панель на место.
Климат контроль.
Переделывается блок 88650-60761 или 88650-60762
На некоторых типах автомобилей используется блок, который не подлежит переделке. Его каталожный номер 88650-60760.
Данный блок меняется целиком на Канадский вариант (88650-60В10 или с мая месяца 2005г. - 88650-60В11) или на переделываемый блок 88650-60761
Примерная стоимость этого блока 250$.
Для того чтобы изменить показания климат контроля с фаренгейтов на Цельсии Вам необходимо снять блок климат контроля, который находится за бардачком рядом с блоком управления двигателя с правой стороны.
1. Извлеките бардачок.
2. Отсоедините разъемы, открутите блок управления двигателем.
3. Разъедините блок климата контроля и ЭБУ.
4. Достаньте плату климат контроля.
Для 88650-60761 Вам необходимо с обратной стороны платы перепаять резистор R713 на свободную площадку R728
Для 88650-60762 резистор перепаивается с 709 на 814.
Информационное табло.
Для того чтобы перевести данный блок с миль на километры Вам необходимо: Снять центральную консоль целиком, извлечь информационное табло.
Внимание.
Данный блок необходимо заменить целиком, так как он не имеет европейской градации.
Меняется он на Канадский вариант каталожный номер 83240-60350
Данный блок поставляется в таком виде
Примерная стоимость данного блока 50$.[b]
Приборная панель.
Для того чтобы перевести приборную панель с миль на километры Вам необходимо её извлечь.
1. При снятии декоративной накладки аккуратно извлеките пластиковые пистоны, находящиеся в верхней части рамки.
2. Открутите 4 самореза и извлеките панель.

В панели приборов меняем целиком дамп микросхемы 93с66.
Внимание.
Мы рекомендуем использовать дамп от Канадского варианта.
Скачать дамп можно по ссылке www.club-lexus.ru/fileserver/?folder=345
Допускается использование дампа от Toyota Land Cruiser PRADO бензин, но, при этом, тахометр будет показывать неправильно
1.

Берем шнур от принтера LPT, режем пополам и припаиваем 4 провода непосредственно на ножки микросхемы в следующем порядке:
LPT 93CXX
2 > 1
3 > 2
4 > 3
5 > 6
6 > 7 и 8
13 > 4
18 > 5
Качаем программу www.club-lexus....eserver/index.php?folder=359
Распаковываем в папку C:SERP и открываем её в проводнике Windows.
Копируем файл porttalk.sys в каталог C:Windowssystem32drivers
Двойной клик на файле porttalk.reg (можно щелкнуть правой кнопкой и выбрать пункт «Слияние») и отвечаем «Да» на вопрос «Вы действительно хотите добавить информацию в реестр?»
Подключаем шнур LPT к компьютеру.
Запускаем прогу serp.exe – открывается окно с приглашением командной строки
Выбираем микросхему 93 серии:
serp> m
93C46> t 66
93C66>
Cчитываем данные из микросхемы в файл, вводим команду r, появится окно для сохранения файлов, выберем папку для сохранения c:serp, введем имя файла (например lexus_GX300¬USA) и нажмем "OK". Все создаваемые файлы для чтения и записи имеют расширение BIN.


В окне serp вводим команду «w»

появится стандартное окно для выбора загружаемых файлов, выберем файл
GX470 2005 CANADA.BIN

и нажмем "Открыть"
programmed 512 bytes
verify EEPROM...OK!
Отключаем шнурок, отпаиваем провода от микросхемы и устанавливаем приборную панель на место.
Климат контроль.
Переделывается блок 88650-60761 или 88650-60762
На некоторых типах автомобилей используется блок, который не подлежит переделке. Его каталожный номер 88650-60760.
Данный блок меняется целиком на Канадский вариант (88650-60В10 или с мая месяца 2005г. - 88650-60В11) или на переделываемый блок 88650-60761
Примерная стоимость этого блока 250$.
Для того чтобы изменить показания климат контроля с фаренгейтов на Цельсии Вам необходимо снять блок климат контроля, который находится за бардачком рядом с блоком управления двигателя с правой стороны.
1. Извлеките бардачок.
2. Отсоедините разъемы, открутите блок управления двигателем.
3. Разъедините блок климата контроля и ЭБУ.
4. Достаньте плату климат контроля.

Для 88650-60761 Вам необходимо с обратной стороны платы перепаять резистор R713 на свободную площадку R728
Для 88650-60762 резистор перепаивается с 709 на 814.
Информационное табло.
Для того чтобы перевести данный блок с миль на километры Вам необходимо: Снять центральную консоль целиком, извлечь информационное табло.

Внимание.
Данный блок необходимо заменить целиком, так как он не имеет европейской градации.

Меняется он на Канадский вариант каталожный номер 83240-60350

Данный блок поставляется в таком виде

Примерная стоимость данного блока 50$.[b]